一、总体情况
2025年区卫生健康局结合实际,切实加强组织领导、落实“三审三校”审批制度、强化宣传培训。明确分工、细化步骤、优化流程,确保政府信息及时主动公开,信息公开申请及时办理反馈。及时公开工作动态、部门文件、公告公示。
(一)主动公开政府信息情况。区卫生健康局按照职能职责,妥善处理公开和保密的关系,合理界定信息公开范围,做到主动稳妥,公开、公正、便民。截止2025年12月31日,我局依托五通桥区门户网站等公开政务信息共计90条。其中公示公告29条,工作动态信息61条。
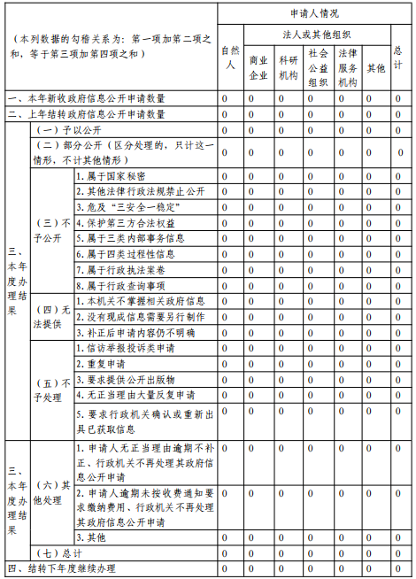
(二)依申请公开情况。2025年度,区卫生健康局未发生因有关政府信息公开而引发的行政复议案和行政诉讼案,未收到各类有关本单位政府信息公开事务的申诉案。
(三)政府信息公开申请情况。区卫生健康局政府信息公开工作由直属机关党委书记具体分管,局办公室负责政府信息公开日常工作,各股室按职责分工,落实政府信息公开各项工作。强化“三审三校”和信息公开保密审查制度,严格执行“谁公开、谁审查、谁负责”“一信息一审查”等保密审查规定,完善政府信息公开年度报告编制和公布制度。
(四)政府信息公开平台建设情况。区卫生健康局政府信息公开平台主要是五通桥区政府门户网,平台管理建设任务由区政府办信息中心承担。
(五)监督保障情况。区卫生健康局严格按相关规定开展政府信息公开工作,未造成不良影响。
二、主动公开政府信息情况

三、收到和处理政府信息公开申请情况

四、政府信息公开行政复议、行政诉讼情况

五、存在的主要问题及改进情况
存在主要问题:一是工作进展不够平衡,信息公开偶有时紧时松的现象;二是政务信息公开及时性有待进一步加强、公开制度还有待进一步完善。
改进的主要措施:在今后的工作中,我局将根据《条例》相关要求,狠抓落实,规范内容,丰富载体,创新机制,进一步深化政府信息公开工作,健全政府信息公开的工作机制。推进决策公开、执行公开、管理公开、结果公开。积极探索信息公开的新思路和新举措,不断提高我局政府信息公开的时效性和专业性。努力把本局信息公开工作提升到一个新的水平。
六、其他需要报告的事项
2025年无收取信息处理费情况。
本报告中所列数据统计时间为2025年1月1日至2025年12月31日。如需了解更多政府信息,请登录查询五通桥区政府网站网址为http://www.wtq.gov.cn/。
扫一扫在手机打开当前页